产品中心

产品中心

您的位置: 首页 >> 产品中心
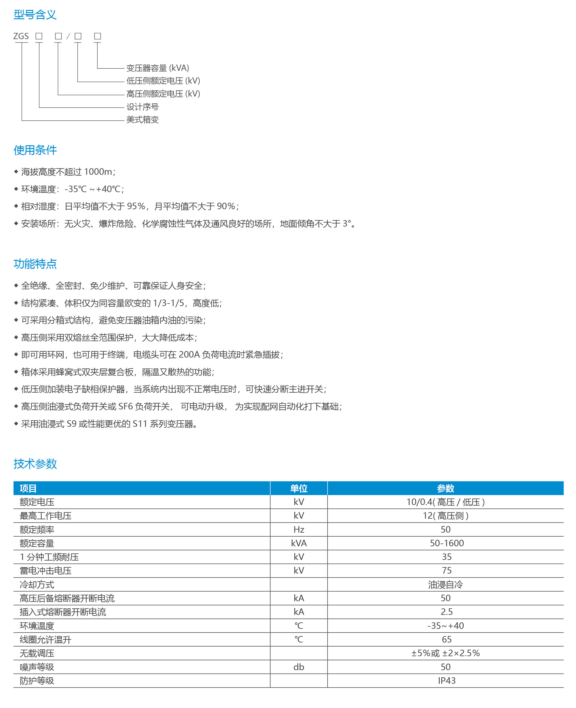
ZGS美式箱变

ZGS美式箱变

本产品是吸收国外最新先进技术,结合国内实际情况研制开发的,整台产品具有体积小、安装维护简便、低噪音、低损耗、防盗过负荷能力强、全保护等特点。适用于新建小区、绿化带、公园、车站宾馆、工地、机场等场所。

在线咨询
咨询热线
189-5895-0002

产品信息

1_05.jpg

2_05.jpg

3_05.jpg

温州展变电气有限公司

189-5895-0002

(联系电话 7×24)